您的位置:海磁首頁 - 產品總匯 - KYN61-40.5KV開關柜系列
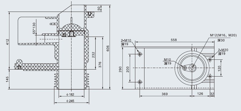
產品編號:HCA110 名稱:ABB觸頭盒 型號:CH3-35Q/606P/280(增強型)
技術指標
額定電壓:40.5kV; 工頻耐壓:95kV/1min;
局放:44.6kv<5pC; 雷電沖擊電壓:185kV;
玻璃化溫度:≥105℃; 爬電距離:>810mm;
產品概述
觸頭盒和套管是高壓開關柜上必不可少的元件,其性能的優劣將直接影響高壓開關柜的絕緣性能和運行的安全可靠性。
從2000年以來,沿海地區電力系統的40.5kV開關柜運行工作電壓有下異常放電現象,及開關柜短路。主要原因是絕緣件的設計不夠合理和使用環境惡劣等因素。在南方及沿海地區由于濕度大,特別是臺風季節,空氣介質濕度增加,加劇了放電程度。更主要的是因觸頭盒和套管內部電場特別集中,分布不均勻,電位差別大,局部放電量高,產生電暈放電。由于各種因素的長期作用,發生一系列的化學和物理變化,從而導致電氣性能和機械性能的逐漸劣化,致使40.5kV開關柜無法正常持續運行。遭遇雷擊時引起間歇性電弧地過電壓,造成短路,嚴重的會起火燒毀。
針對上述問題,浙江海磁電器有限公司經過二年多時間的研發,運用了新的電場分析技術,計算出合理的電場分布,設計理想的屏蔽網遲寸及結構,改變電場切割磁力線,使其從斜線改為直線,從而使這部分電位相同,消除電場集中的問題,達到了絕緣體內部電場分布均勻的效果,最終降低絕緣體局放,使局部放電量減少到理想的數值,并選用進口的亨斯邁(HUNTSMAN)耐環境、電氣性能極佳,機械強度很高的環氧樹脂,采用先進的海德里西(Hedrick vacuum systerms)全自動配料系統,配方科學,工藝先進,形成全套絕緣件解決方案,消除了KYN61觸頭盒和套管內部存在電場分布不均勻的技術問題,延長了使用壽命。
通過完善的檢測設備:高壓測試系統及局放試驗屏蔽室、琉璃化轉變溫度試驗設備美國進口DSC熱分儀、溫度及熱穩定性試驗設備冷熱沖擊試驗機、機械強度試驗設備拉力試驗機等,確保了絕緣件工作耐壓、局部放電量、機械性能、溫度及熱穩定性四大性能的要求。
目前本產品主要銷往浙江、江蘇、上海、安徽、云南、山東、河南等地,具有明顯的社會效益和經濟效益,市場前景十分廣闊。
解決方案
本公司經過對產品的電場分析及改進,消除了觸頭盒、套管產品內部放電現象;經過對開關柜使用環境及現場分析,消除了部分開關柜由于設計及使用環境不良導致凝露現象的問題,例如:
1、無屏蔽觸頭盒與觸頭盒之間放電、與柜體放電,主要是電場分布不均,采用屏蔽觸頭盒解決電場分布不均問題;
2、無屏蔽套管對開關柜放電,主要是電場分布不均,采用帶導線屏蔽套管解決電場分布不均及安裝接觸不良現象問題;
3、母排、觸頭等部位凝露現象,有幾個方面原因,一是使用環境污穢及濕度大(濕度≥75%); 二是開關柜設計不良,通風排氣不暢及柜體內附設加溫除濕系統不均造成開關柜濕度太大,產生凝露;
4、觸頭盒內壁爬距容易受潮積水,產生不良放電,采用我公司觸頭盒內壁無爬距產品解決此類問題;
5、母排與螺栓等部位需倒圓,避免尖角放電。









產品編號:HCA110
KYN61-40.5KV開關柜系列






浙公網安備 33038202004286號