您的位置:海磁首頁 - 產品總匯 - 12KV開關支架、出線座系列
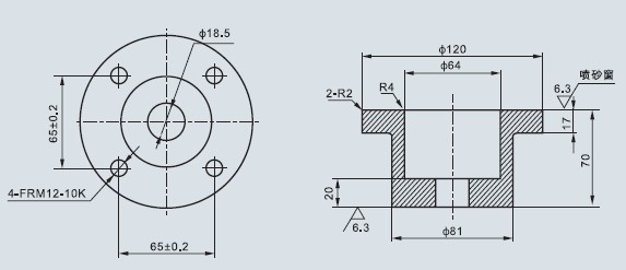
產品編號:HCC430 名稱:固定式VS1出線座2000A
材料:紫銅T2
銅鋁結合產品的產品特點
鋁代銅——中壓電氣導電件的必然發展趨勢 因現銅的資源較緊缺,而國內鋁的資源豐富。而且鋁作為輕型金屬材料被稱為“會飛的金屬”在今天乃至將來都會被廣泛應用在工業、電氣方面。雖然鋁在相同截面積下的導電性能比銅要差一些,即鋁的電阻率大于銅的電阻率(鋁的電阻率β鋁≈0.027,銅的電阻率β鋁≈0.01.但完全可以通過)。完全可以通過增加鋁導體的截面積(即電流截面積)來提高其導電性能。如鋁導體的截面積達到銅線截面積的0.027/0.017≈1.6倍時,導電性能與銅一樣,而鋁的比重大大小于銅的比重(銅的比重d銅=8.9,鋁的比重d鋁=2.7),即用鋁代替銅用于中壓導電件中,在達到相同導電性能的情況下,其用銅、鋁的重量之比8.9/2.7≈1.9倍,也就是說鋁 雖然導電性能沒有銅好,但通過增加其截面積就可以克服,而且還能大大減輕導電件的重量和大大降低采購成本。
我們從中置式開關柜的重要導電件,靜觸頭和斷路器中的觸臂說起,談談關于我公司新產品的優勢:
同樣的產品,Φ49×82的靜觸頭從機械壽命和電氣性能來講,都可以達到完全替代銅的要求。
ZN63A-12/31.5KA(VS1)經實際測量和試驗
| 產品型號 | T2Y銅觸壁(Φ50×158mm 1250A) | 銅鋁觸壁(Φ50×158mm 1250A) |
| 單向電阻 | ≤4μΩ | ≤5μΩ |
| 斷路器回路電阻要求 | ≤50μΩ | ≤50μΩ(與固封斷路器成回路≤30μΩ) |
| 溫升要求1250A的1.1倍 | ≤75度 | ≤75度(實測溫升≤65度) |
| 機械屈服強度 | 340N/mm | 260N/mm |
| 動熱穩定 | 開斷31.5KA 4S峰值80KA | 開斷31.5KA 4S峰值80KA |
| 表面處理 | 鍍銀 | 原接觸部位還是銅材質 |
銅鋁結合觸臂及靜觸頭是我公司科研人員歷經三年研推出的更新換代產品。該產品的抗位和抗彎強度優異,粘合性能好,壓扁和折彎后結合面均無裂痕,是目前國內新型的節能環保產品,其動熱穩定、溫升、回路電阻均可以與同等規格等級的T2銅制品相媲美,是目前電氣待業降低成本的理想產品。









產品編號:HCC430
12KV開關支架、出線座系列






浙公網安備 33038202004286號